C&O Virginia Division Track Chart 1984
$14.49
The Virginia Division is a consolidation of older smaller divisions like the Clifton Forge and Richmond Divisions.
- Free Shipping on all Collectibles
Two choices on delivery. Immediate download or PDF file on a CD Data Disc shipped to you.
Why buy digital information from RailfanDepot?
1) 20 years experience. Professional high quality scans.
2) All data discs are 780MB CD discs. No need for a DVD Drive.
3) If shipped, CDs come in a case for protection and storage.
4) The discs are printed, not paper labels that can damage a drive.
5) Shipped discs come with a tracking number.
6) Lifetime download backup guarantee. See below.
———————————————————————————
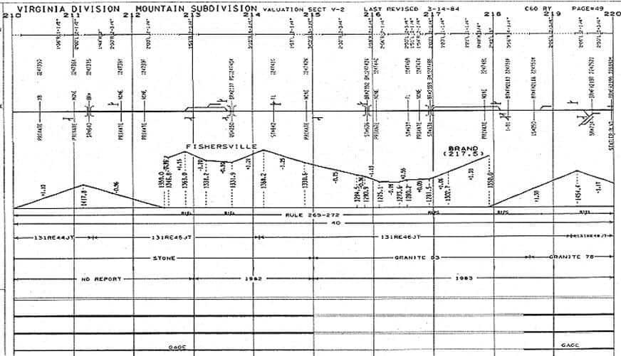
The C&O was, by 1984, a part of the larger Chessie System but still maintained much independence. Even so, this has to be one of the last Chesapeake and Ohio Railroad track charts as the C&O officially disappeared into CSX in 1987 and a new look took over. The Virginia Division covers a lot of ground including one of the oldest sections of the line, the Piedmont Sub. The Virginia Division is a consolidation of older smaller divisions like the Clifton Forge and Richmond Divisions.
This is a scan of an original C&O track chart. This track chart is a computer generated/hand drawn combination direct from the C&O Office of Transportation Planning. Included is a key and a contents of the included lines. 84 pages.
Covered in this track chart:* Peninsula Sub (Hampton Roads to Rivanna Jct.), * Rivanna Sub (Rivanna Jct. to Gladstone Yard), * James River Sub (Gladstone Yard to JD Cabin), * NN&NT Sub (Newport News & Norfolk Terminal), * Piedmont Sub (Rivanna Junction to Gordonsville), * Washington Sub (Orange to Charlottesville), * Mountain Sub (East Charlottesville to Clifton Forge), * Alleghany Sub (Clifton Forge to MX Cabin). Also included are these detail maps:* Newport News Yards, * Newport News Hump Yard, * Fulton Yards, * 17th Street Yards, * Gladstone Yards, * Lynchburg Yard, * Balcony Falls, * Charlottesville, * Waynesboro, * Staunton, * Craigsville, * Covington, * Clifton Forge Yards, * White Sulfer Springs, * Snowflake, * and Ronceverte Yards.
About your lifetime download backup guarantee
► Our data is stored in the most reliable data cloud on the planet, the Amazon Cloud. The same service Netflix uses.
► We are serious about storing and serving data.
► If you lose your disc, change computers, whatever the need, just send us an email.
| Railroad | |
|---|---|
| Country/Region of Manufacture | |
| Replacement Guarantee |















